金屬管浮子流量計的基本介紹
金屬管浮子流量計的基本介紹和使用維護


一、金屬管浮子流量計構造原理
金屬管浮子流量計是由下而上的流體經過直立的丈量管時,浮子在壓差的作用下上升、浮子上升的高度即代表流量的大小。并經過浮子中的磁鋼與指示器中的磁鋼耦合聯合傳送給指示器,帶動指示器中的指針轉動。

1、被測流體
從被測流體來說:有氣體、液體和混合流體這三種不同物理特性的流體。
從被測流體條件來說:從高溫到低溫,從高壓到低壓,從微小流量到大流量。
從被測流體狀態來說:層流、紊流、非定常流。
此外,就液體而言,還存在粘度大小不同等狀況。
由于被測流體的特性如此復雜,丈量條件又各不相同,從而便產生了各種不同的丈量辦法和丈量儀表。因而儀表選型首先是選擇丈量辦法,其次再選擇儀表型號。
2、口徑:儀表本體接收的公稱直徑。
3、金屬管浮子流量計流量范圍、量程比、量程
流量范圍:由*大流量和*小流量所限定的范圍。
量程比:*大流量與*小流量的比值。
量程:流量范圍上限值和流量范圍下限值的代數差。
4、金屬管浮子流量計準確度和誤差
允許誤差和精確度等級。
流量儀表在規則的正常工作條件下的*大誤差,稱為該流量儀表的允許誤差。
**誤差=儀表指示值-計量檢定值。
相對誤差=示值**誤差/計量檢定值。
援用誤差=示值*大**誤差/儀表量程。
允許誤差能夠用**誤差、相對誤差、援用誤差來表示(但流量儀表普通用相對誤差、援用誤差來表示)
精確度等級:0.020.050.10.20.51.01.52.02.54.0
5、溫度范圍 儀表對應用環境和丈量介質所適用溫度的請求。
6、濕度范圍 儀表對應用環境濕度的請求。
7、額定壓力和*大工作壓力:
8、銜接方式:儀表與被測介質管道的銜接方式,包括法蘭、法蘭夾裝、卡箍、螺紋等。
9、響應時間:
輸入變量惹起輸出變量開端變化的時間。響應時間愈短,信號傳送愈快;響應時間愈長,信號傳送愈慢。
10、壓力損失
金屬管浮子流量計的壓力損失是指流體流過流量計時所惹起的不可恢復的壓力值。
①大氣壓:由空氣的重量作用所產生的靜壓力。常以0℃時海平面上的大氣壓力作標準,其值為0.1013MPa
②**壓力:物體承受的實踐壓力。
③相對壓力:**壓力與當時當地的大氣壓力之差。
④表壓:**壓力大于大氣壓力時的相對壓力,即**壓力與大氣壓力之差。
⑤真空度(負壓)當**壓力小于大氣壓力時的相對壓力。即**壓力與大氣壓力之差。因**壓力小于大氣壓,故差值為負數,所以又稱負壓。
11、供電電源
12、輸出信號
模仿輸出型010mA 420mA 15V
脈沖頻率輸出型。
模仿脈沖兼容輸出型 來源于CPU強大的計算功用)
13、負載
指儀表工作時不能超出的一些電量指標。
14、反復性
指在同一工作條件下,對同一被丈量屢次反復丈量,其示值互相不分歧的程度。反復性表示儀表隨機誤差的大小。
15、穩定性
指在規則工作條件下,流量計的某些性能隨時間堅持不變的才能。
16、靈活度
指流量計對被測流量值的反映才能。S=△Y/△X
也就是輸出變量對輸入變量微小變化的程度。靈活度高,儀表響應時間快,同時干擾也大;靈活度低,儀表響應時間慢,同時干擾也小。
17、線性度
流量計的線性度是整個流量范圍內流量特性曲線與規則直線之間的分歧性。
18、儀表系數
單位體積內流經流量儀表的脈沖個數
金屬管浮子流量計是依據是一種變面積式流量計,液體在流量計管道中活動,使管道中浮子向上挪動,當流速與流量一定的時分浮子與管道之間的面積到達一定值。此面積與浮子的高度成正比,也與流量成正比。指針式的金屬管浮子流量計是指針依據浮子的高度經過內部零件的轉動顯現在表盤上。電子表頭顯現的則是電路板智能計算顯現。
二、金屬管浮子流量計運用與維護
1、裝置金屬管浮子流量計之前一定要將管道內的焊渣、雜物清算潔凈。
2、流量計必需垂直于空中裝置其傾斜度不得超越2°,否則會影響丈量精確度。
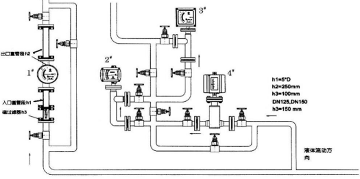
3、為了確保流量計的丈量精確性,應在流量計的進口端增加不少于10DN的直管段,出口端不少于5DN的直管段,丈量時調理控制閥必需裝置在流量計的下游。
4、若被測介質為大的脈動流或兩相流,應在流量計的上游裝置緩沖器來消弭或削弱脈動,保證介質的活動是單相穩定的,同時,倡議流量計*好運用阻尼型的。
5.若被測介質較臟或含有導磁顆粒時,應在流量計的上游裝置過濾器或磁過濾器。
6、流量計的裝置應能恰當支撐管道的振動或減少流量計的軸向負荷,否則應增加固定流量計的支撐。
7、為了便于流量計的頤養維修,磁過濾器的清洗以及用戶管路的定期維護頤養,倡議運用旁路管道。當流量計用于氣體丈量時,應保證管道內的工作壓力不少于5倍流量計的壓力損失,使流量計可以穩定正常動作。

8、對電遠傳及帶報警限位開關的流量計在運用前,翻開儀表蓋,按接線圖示正確接線。關于報警型的旋松限位開關處的螺絲,用戶依據需求設定限位報警位置,并旋緊螺絲,恢復后運用。
9、按儀表指示器中的警示牌,取出運輸中避免浮子振動的阻動件,恢復后再運用儀表。
10、若開啟流量計時,由于管道內沒有壓力或系統還未到達儀表正常運用的工作壓力,必需遲緩開啟控制閥,直到系統正常,儀表方可運用,否則容易形成指針跳動或浮子的忽然撞擊而損壞的現象。
11、用戶運用時,若被測流體的密度與水不同時,或被測氣體的參數和工作狀態與制造廠家規則不同時應對流量計示值讀數停止換算。
三、金屬管浮子流量計常見毛病及掃除
1、指針在某一位置不動
緣由剖析:轉子卡死
2、指針顫動
緣由剖析:主要是介質活動狀態不穩定
3、丈量誤差大
緣由剖析:安裝不標準
流體密度變化大
氣體介質收到溫度變化影響
外部要素



一、金屬管浮子流量計構造原理
金屬管浮子流量計是由下而上的流體經過直立的丈量管時,浮子在壓差的作用下上升、浮子上升的高度即代表流量的大小。并經過浮子中的磁鋼與指示器中的磁鋼耦合聯合傳送給指示器,帶動指示器中的指針轉動。

1、被測流體
從被測流體來說:有氣體、液體和混合流體這三種不同物理特性的流體。
從被測流體條件來說:從高溫到低溫,從高壓到低壓,從微小流量到大流量。
從被測流體狀態來說:層流、紊流、非定常流。
此外,就液體而言,還存在粘度大小不同等狀況。
由于被測流體的特性如此復雜,丈量條件又各不相同,從而便產生了各種不同的丈量辦法和丈量儀表。因而儀表選型首先是選擇丈量辦法,其次再選擇儀表型號。
2、口徑:儀表本體接收的公稱直徑。
3、金屬管浮子流量計流量范圍、量程比、量程
流量范圍:由*大流量和*小流量所限定的范圍。
量程比:*大流量與*小流量的比值。
量程:流量范圍上限值和流量范圍下限值的代數差。
4、金屬管浮子流量計準確度和誤差
允許誤差和精確度等級。
流量儀表在規則的正常工作條件下的*大誤差,稱為該流量儀表的允許誤差。
**誤差=儀表指示值-計量檢定值。
相對誤差=示值**誤差/計量檢定值。
援用誤差=示值*大**誤差/儀表量程。
允許誤差能夠用**誤差、相對誤差、援用誤差來表示(但流量儀表普通用相對誤差、援用誤差來表示)
精確度等級:0.020.050.10.20.51.01.52.02.54.0
5、溫度范圍 儀表對應用環境和丈量介質所適用溫度的請求。
6、濕度范圍 儀表對應用環境濕度的請求。
7、額定壓力和*大工作壓力:
8、銜接方式:儀表與被測介質管道的銜接方式,包括法蘭、法蘭夾裝、卡箍、螺紋等。
9、響應時間:
輸入變量惹起輸出變量開端變化的時間。響應時間愈短,信號傳送愈快;響應時間愈長,信號傳送愈慢。
10、壓力損失
金屬管浮子流量計的壓力損失是指流體流過流量計時所惹起的不可恢復的壓力值。
①大氣壓:由空氣的重量作用所產生的靜壓力。常以0℃時海平面上的大氣壓力作標準,其值為0.1013MPa
②**壓力:物體承受的實踐壓力。
③相對壓力:**壓力與當時當地的大氣壓力之差。
④表壓:**壓力大于大氣壓力時的相對壓力,即**壓力與大氣壓力之差。
⑤真空度(負壓)當**壓力小于大氣壓力時的相對壓力。即**壓力與大氣壓力之差。因**壓力小于大氣壓,故差值為負數,所以又稱負壓。
11、供電電源
12、輸出信號
模仿輸出型010mA 420mA 15V
脈沖頻率輸出型。
模仿脈沖兼容輸出型 來源于CPU強大的計算功用)
13、負載
指儀表工作時不能超出的一些電量指標。
14、反復性
指在同一工作條件下,對同一被丈量屢次反復丈量,其示值互相不分歧的程度。反復性表示儀表隨機誤差的大小。
15、穩定性
指在規則工作條件下,流量計的某些性能隨時間堅持不變的才能。
16、靈活度
指流量計對被測流量值的反映才能。S=△Y/△X
也就是輸出變量對輸入變量微小變化的程度。靈活度高,儀表響應時間快,同時干擾也大;靈活度低,儀表響應時間慢,同時干擾也小。
17、線性度
流量計的線性度是整個流量范圍內流量特性曲線與規則直線之間的分歧性。
18、儀表系數
單位體積內流經流量儀表的脈沖個數
金屬管浮子流量計是依據是一種變面積式流量計,液體在流量計管道中活動,使管道中浮子向上挪動,當流速與流量一定的時分浮子與管道之間的面積到達一定值。此面積與浮子的高度成正比,也與流量成正比。指針式的金屬管浮子流量計是指針依據浮子的高度經過內部零件的轉動顯現在表盤上。電子表頭顯現的則是電路板智能計算顯現。
二、金屬管浮子流量計運用與維護
1、裝置金屬管浮子流量計之前一定要將管道內的焊渣、雜物清算潔凈。
2、流量計必需垂直于空中裝置其傾斜度不得超越2°,否則會影響丈量精確度。
3、為了確保流量計的丈量精確性,應在流量計的進口端增加不少于10DN的直管段,出口端不少于5DN的直管段,丈量時調理控制閥必需裝置在流量計的下游。
4、若被測介質為大的脈動流或兩相流,應在流量計的上游裝置緩沖器來消弭或削弱脈動,保證介質的活動是單相穩定的,同時,倡議流量計*好運用阻尼型的。
5.若被測介質較臟或含有導磁顆粒時,應在流量計的上游裝置過濾器或磁過濾器。
6、流量計的裝置應能恰當支撐管道的振動或減少流量計的軸向負荷,否則應增加固定流量計的支撐。
7、為了便于流量計的頤養維修,磁過濾器的清洗以及用戶管路的定期維護頤養,倡議運用旁路管道。當流量計用于氣體丈量時,應保證管道內的工作壓力不少于5倍流量計的壓力損失,使流量計可以穩定正常動作。

8、對電遠傳及帶報警限位開關的流量計在運用前,翻開儀表蓋,按接線圖示正確接線。關于報警型的旋松限位開關處的螺絲,用戶依據需求設定限位報警位置,并旋緊螺絲,恢復后運用。
9、按儀表指示器中的警示牌,取出運輸中避免浮子振動的阻動件,恢復后再運用儀表。
10、若開啟流量計時,由于管道內沒有壓力或系統還未到達儀表正常運用的工作壓力,必需遲緩開啟控制閥,直到系統正常,儀表方可運用,否則容易形成指針跳動或浮子的忽然撞擊而損壞的現象。
11、用戶運用時,若被測流體的密度與水不同時,或被測氣體的參數和工作狀態與制造廠家規則不同時應對流量計示值讀數停止換算。
三、金屬管浮子流量計常見毛病及掃除
1、指針在某一位置不動
緣由剖析:轉子卡死
2、指針顫動
緣由剖析:主要是介質活動狀態不穩定
3、丈量誤差大
緣由剖析:安裝不標準
流體密度變化大
氣體介質收到溫度變化影響
外部要素

上一條:渦輪流量計對安裝場所的要求以及在應用時有哪
下一條:電磁流量計的基本特點
騰泰儀表推薦
相關公司動態
- TT-UFZ簡易式重錘浮標液位計和TT-UFZ翻板式重錘浮標液位計的區別
- 定制HC膜片液位變送器TT-2088G-2M
- 1/2螺紋特殊定制阻旋料位開關
- 差壓變送器一般常見故障
- 氣體渦輪流量計的工作原理和日常維護
- 超聲波明渠流量計的技術參數和接線方法
- 手持式超聲波流量計的工作原理和主要用途
- 流量差報警儀的應用范圍、基本參數和操作方法
- 智能流量積算儀的概述和基本操作
- 電浮筒液位計的原理和應用范圍
- 投入式液位變送器原理、結構及安裝調試
- 智能旋進旋渦流量計的使用方法及參數切換設置
- 液位上下限報警控制、液位高低報警控制及無線
- 超聲波液位計的裝置與設置
- 防爆型超聲波液位計的裝置方式及注意事項
- 氣體腰輪流量計的造型要求和安裝注意事項
- 旋進旋渦流量計與氣體渦輪流量計的主要區別
- TT-LWGY系列渦輪流量計的用途和原理
- 孔板流量計的特點
- TT-UQK浮球液位控制器的調試和安裝
- 磁翻板液位計的安裝保養
- 氣體渦輪流量計如何安裝
- 分體式超聲波液位計接線圖
- 投入式液位變送器在靜、動水中的電氣連接
- 導波雷達物位計測量原理技術要求
- 插入式電磁流量計安裝要求
- 氣體渦輪流量計的使用和維護
- 孔板流量計的安裝要求和維護注意事項
- 浮標液位計的安裝與使用
- 雙金屬溫度計的種類和用途

