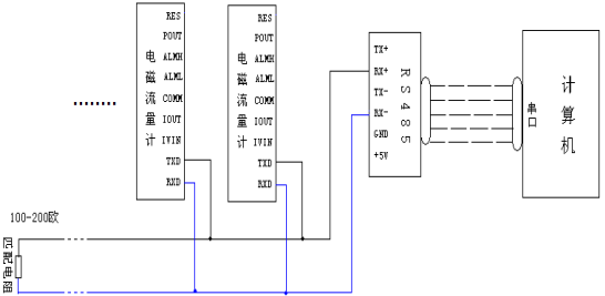
電磁流量計485通訊連接方法(圖解)、簡述及應
|
電磁流量計是一種應用法拉第電磁感應定律的流量計,騰泰電磁流量計系列引進國外電磁流量計*新技術制造?!‰姶帕髁坑嫓y量原理乃基于法拉第電磁 感應定律。流量計的測量管是一內襯絕緣材料的非導磁合金短管。兩只電極沿管徑方向穿通管壁固定的在測量管上,其電極頭與襯里內表面基本齊平。勵磁線圈 向方波脈沖勵磁時,將在與測量管軸線垂直的方向上產生一磁通量密度為 B 的工作磁場。
此時,如果具有一定電導率的流體流經測量管,將切割磁力線感應 出電動勢 E。電動勢 E 正比于磁通量密度 B、測量管內徑 d 與平均流速 V 的乘積,電動勢 E(流量信號)由電極檢出并通過電纜送至轉換器。
轉換器將流量信號放大處理后,可顯示流量、總量,并能輸出脈沖、模擬電流等信號,用于流量的控制或調節。
1、水煤漿是由質量分數為 60%~70%的干煤粉、20%~39%的水和 1%添加劑 組成CONTROL ENGINEERING China版權所有,它即保持了煤炭原有的物理特性,又具有像石油一樣的流動性和穩定 性,被稱為液態煤炭產品。
近年來,由于煤炭資源豐富,價格便宜,水煤漿 的加工方法又簡單,與煤炭的氣化、液化技術相比投資少,成本低,作為代 油燃料受到世界各國的普遍重視。
2、由于水煤漿具有較強的觸變性,當其受到強烈的剪切作用時,內部結 構遭到破壞,粘度降低,輸送阻力減小;而當其處于原始狀態時,粘度較大, 輸送阻力亦較大。
故水煤漿在管內存放一段時間后再啟動時,其啟動壓力較 大,經過一段時間輸送后壓力減小,并逐步趨于某一穩定數值,這個穩定數 值即穩定輸送阻力。
3、水煤漿中煤的粒度 水煤漿中煤的粒度大小和級配關系到煤漿的粘度,直接影響煤漿的觸變
性、穩定性和霧化燃燒效果,合格的水煤漿平均粒度應為 50~55μm,*大粒 度控制在 300μm 以內,且*大粒度不應超過總量的 2%,75%的粒度應當小于
74μm、10μm 的粒度含量應為 20%左右。
4、水煤漿添加劑是一類表面活性物質,能夠使煤粒子在水中穩定、均勻 的分散,是制備水煤漿不可缺少的化學助劑。
水煤漿添加劑是水煤漿的核心技術之一,可提高煤漿的成漿濃度,減少水的用量,良好的分散性能,能使不同粒徑的煤粉均勻地分布地水中,形成高度分散的煤水混合物,具有剪切變稀的流變性能,能象油一樣具有流動性和穩定性。
能使水煤漿不僅適合管道輸送,而且還能適合不同運輸工具的長 途運輸。
三、電磁流量計
電磁流量計是一種應用法拉第電磁感應定律的流量計,菲格瑞思產品系 引進國外電磁流量計*新技術制造。
1、工作原理(圖 1)
電磁流量計測量原理乃基于法拉第電磁 感應定律。流量計的測量管是一內襯絕緣材料的非導磁合金短管。兩只電極沿管徑方向穿通管壁固定的在測量管上,其電極頭與襯里內表面基本齊平。
勵磁線圈 向方波脈沖勵磁時,將在與測量管軸線垂直的方向上產生一磁通量密度為 B 的工作磁場。此時,如果具有一定電導率的流體流經測量管,將切割磁力線感應 出電動勢 E。電動勢 E 正比于磁通量密度 B、測量管內徑 d 與平均流速 V 的乘積,電動勢 E(流量信號)由電極檢出并通過電纜送至轉換器。轉換器將流量信號放大處理后,可顯示流量、總量,并能輸出脈沖、模擬電流等信號,用于流量的控制或調節。

水煤漿是一種新型清潔的能源。開發生產和應用這種新型能源,符合我國的國情,具有十分重要的經濟意義和戰略意義。在水煤漿的生產和 管道輸送過程中,必須進行計量和檢測。由于水煤漿是固液兩相流,存在沉 淀和磨蝕問題,電磁流量計以其測量管內無阻流部件,測量不受密度、粘度 影響等特點,成為**(其它種類的流量計很難勝任)。
摘要:水煤漿是一種新型的潔凈能源,是在煤的基礎上,與水和水煤漿的添加劑經過技術深加工而成的產品,水煤漿產品是象油一樣的液體,又能 像油一樣的燃燒,在燃燒值相同的情況下,兩噸的水煤漿可替代一噸燃油, 可**的應用于各種工業鍋爐和燃油鍋爐以及煤化工行業,是燃油的理想替 代產品,在能源緊張的今天,具有十分重要的經濟意義和戰略意義。
本文通過國內應用實例和實踐經驗,分析了電磁流量計在新型能源一一 水煤漿的生產和使用過程中,電磁流量計做為計量和檢測儀表,在測量控制 過程當中所起的重要作用,以及在應用中出現問題的一些應對措施和解決方案。
關鍵詞:煤改油 水煤漿 電磁流量計 水煤漿測量和控制
一、水煤漿和應用水煤漿的現實意義
水煤漿是由 60%~70%的煤粉+39%~29%的水+1%的化學添加劑,經過一定的工藝流程加工而成的。它具有較好的流動性和穩定性,具有象燃料油一樣的泵送、運輸儲存和霧化燃燒,是一種替代燃料油的新型低污染的燃料,它 與直接用煤燃燒相比,具有污染小,安全和勞動強度低的優點;與直接用燃 油和直接用天然氣燃燒相比,具有成本低的優勢,為稱為液體煤炭產品???**的應用在工業鍋爐和電力行業以及煤化工行業,已逐步跨入替代燃油、 天然氣、煤氣、煤粉等能源產品領域的新型燃料。從長遠看,水煤漿的發展 潛力和市場需求量相當巨大。
5、水煤漿氣化原理 水煤漿氣化原理是部分氧化反應原理 主要反應過程是經過計量的水煤漿和氧氣,在氣化爐中高溫(1300~1400℃高壓(2.8~28.7MPa)條件下部分氧化,生成H2、CO、C2O和水CONTROL ENGINEERING China版權所有,除去灰渣, 得到合成氣。這種合成氣是化肥、甲醇等產品的原料,H2可用來加氫,直接或 間接制油,而H2和CO可作城市煤氣,或作燃料氣,用于聯合循環發電。
6、水煤漿應用示意圖:

砥礪奮進十年路,不忘初心再出發。電磁流量計生產廠家——江蘇騰泰儀表科技有限公司熱忱歡迎您的光臨!http://m.hzbmbj.com/
騰泰儀表推薦
相關公司動態
- TT-UFZ簡易式重錘浮標液位計和TT-UFZ翻板式重錘浮標液位計的區別
- 定制HC膜片液位變送器TT-2088G-2M
- 1/2螺紋特殊定制阻旋料位開關
- 差壓變送器一般常見故障
- 氣體渦輪流量計的工作原理和日常維護
- 超聲波明渠流量計的技術參數和接線方法
- 手持式超聲波流量計的工作原理和主要用途
- 流量差報警儀的應用范圍、基本參數和操作方法
- 智能流量積算儀的概述和基本操作
- 電浮筒液位計的原理和應用范圍
- 投入式液位變送器原理、結構及安裝調試
- 智能旋進旋渦流量計的使用方法及參數切換設置
- 液位上下限報警控制、液位高低報警控制及無線
- 超聲波液位計的裝置與設置
- 防爆型超聲波液位計的裝置方式及注意事項
- 氣體腰輪流量計的造型要求和安裝注意事項
- 旋進旋渦流量計與氣體渦輪流量計的主要區別
- TT-LWGY系列渦輪流量計的用途和原理
- 孔板流量計的特點
- TT-UQK浮球液位控制器的調試和安裝
- 磁翻板液位計的安裝保養
- 氣體渦輪流量計如何安裝
- 分體式超聲波液位計接線圖
- 投入式液位變送器在靜、動水中的電氣連接
- 導波雷達物位計測量原理技術要求
- 插入式電磁流量計安裝要求
- 氣體渦輪流量計的使用和維護
- 孔板流量計的安裝要求和維護注意事項
- 浮標液位計的安裝與使用
- 雙金屬溫度計的種類和用途





