靜壓式液位變送器的安裝方式與日常維護
靜壓式液位變送器的安裝方式
一、靜壓式液位變送器概述
一、靜壓式液位變送器概述
TT-DBS50型靜壓式液位變送器,選用進口傳感器作為中心感測元件,經過感受液體的壓強,得出相應液位高度,并轉換成 4~20mA 的標準電流信號輸出,傳送給二次儀表,完成工業過程的自動控制。
TT-DBS50型靜壓式液位變送器有線纜投入式、桿式、螺紋式、法蘭式、普遍應用于各種場所的啟齒容器,根據現場懇求,可提供普通型、本安防爆型。
二、靜壓式液位變送器尺寸及接線圖
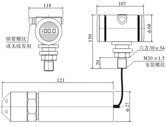
1、靜壓式液位變送器尺寸
2、靜壓式液位變送器接線圖
三、靜壓式液位變送器簡易安裝圖
四、靜壓式液位變送器安裝運用留意事項
1、翻開包裝檢查量程范圍與原訂貨參數能否一樣,未經天信儀表有限公司同意,切勿恣意拆卸、遏止碰撞觸摸傳感器隔離膜片。
2、被測介質嚴禁結晶,當環境溫度較低時,變送器如不運用應將其拆下,以防結晶損壞膜片。
3、當介質溫度較高時,應采取隔離裝置。
4、安裝位置避免劇烈震動和沖擊,如震動較大可遠傳引壓。
5、介質中如有較大雜質時,應選法蘭取壓,或加過濾裝置。
6、安裝位置晝遠離大功率的電器設備,以防干擾。
7、變送器可垂直、傾斜或水平裝在罐體、槽內,應留意不讓泥沙埋沒或堵塞膜片;
8、在介質動搖較大的場所,應采取固定措施,如采用孔φ12的防波管;
9、導氣電纜除除作為電源和信號轉換外,主要為引入大氣補償用,安裝時留意不要挾持過緊,折彎過銳;
10、殼體垂直安裝在罐體上方或左近的支架上,應保證防曬透氣,安裝位置應便于接線與調校。
靜壓投入式液位計是一種可以順應于多種液體丈量環境的液位計,其安裝與運用較為便當簡單,丈量效果好,關于用于有雜質的介質,或運用于有較多污垢和雜物的液體中,則需求留意其日常的清算與維護,只需保證了正確的安裝及清洗步驟,才干夠保證其穩定的運轉與數據的準確。因此正確的維護是日常運用中不可缺少的環節,安裝不當或者沒有定期清洗,一定會影響運用壽命或者運轉才干。
1、液位計露天安裝時,探極線不能暴露于容器外,以免雨天探極線著水呈現丈量誤差。
2、液位計的外殼或接線盒下部的不銹鋼過程銜接部件,必需可靠與容器外壁銜接(接地),其接觸電阻不能大于
3、在正常工作中,探極線在容器內不能有較大的擺動幅度,否則會呈現信號不穩定現象。
4、探極線安裝時,應盡量遠離容器內壁,z小距離不能<100mm。當受條件限制,距離<100mm時,探極線與容器的距離必需保證相對固定。
5、對單線軟探極,多余部分可經過過程聯接件上端拉出后剪掉,然后擰緊押金螺栓,而雙絞線探極,多余部分可盤扎在被測液面以上,不允許將多余部分盤繞在容器底部或有效丈量段。
6、在容器內有攪拌或液體可能產生大量氣泡時,為維護探極線和避免液體動搖及氣泡而產生的虛假液位,可在容器內裝置已內徑>80mm金屬或非金屬管,管的下端應啟齒獲流進液孔,液面以下留排氣孔,運用金屬管時,應保證探極線在管內位置相當穩定,必要時對探極線加支撐拉直。
7、運用中發現異常,應關掉電源,中止運用,中止檢查或直接向企業技術部。
8、接供電電源時應嚴厲按照工廠提供的產品安裝接線說明中止銜接。
9、液位變送器運輸、儲存時應恢恢復包裝,存放在陰涼、單調、通風的庫房內。
在一些水庫與河流,以及污水池的液位丈量中,由于靜壓投入式液位計的探頭全部浸于液體介質中,介質中的一些臟污雜質吸附或纏繞于探頭之上在所難免,假設構成取壓孔的堵塞,便會帶來取壓不準確,壓力無法有效傳導,經過靜壓投入式液位計的工作原理我們知道,液位計是經過丈量液體的中壓力來間接丈量介質的液位高度的,因此在這類水體或液體介質中的日常強迫措施清洗工作十分的必要。靜壓靜壓投入式液位計清洗步驟包括以下幾點內容:
1、每個月清洗一次。
2、清洗時先翻開投入式水位儀鐵管的旋帽,警惕拿出液位計;再將液位計上附著的雜物(比如水草,浮游生物等)消滅掉。
3、清潔水位計引壓孔時,可運用三氯乙烯或酒精注入引壓孔到其高度二分之一處浸泡5分鐘左右,然后細微晃動、重復多次,直到清洗干凈位止。遏止運用任何用具清洗引壓孔,以免損壞敏感芯子感壓膜片。
4、清潔變送器壓力接口和引壓孔時,忌用硬渡過大的刷子或金屬工具,以避免損傷敏感芯子及壓力接口螺紋。
5、清洗終了后將液位計慢慢的放回鐵管中,覺得已放置鐵管的低部,將旋帽安裝回原處即可。在卸下清洗后重新安裝百度排名優化,因安裝深度會有肯定的變動,必需再次比照水閘統一水位當時的水位表尺,對二次儀表的檢測值中止矯正,以確保采樣數據的***性。
其實不只僅是靜壓投入式液位計需求維護和頤養,其他型號的液位計也需求及時維護和頤養。
騰泰儀表推薦
相關公司動態
- TT-UFZ簡易式重錘浮標液位計和TT-UFZ翻板式重錘浮標液位計的區別
- 定制HC膜片液位變送器TT-2088G-2M
- 1/2螺紋特殊定制阻旋料位開關
- 差壓變送器一般常見故障
- 氣體渦輪流量計的工作原理和日常維護
- 超聲波明渠流量計的技術參數和接線方法
- 手持式超聲波流量計的工作原理和主要用途
- 流量差報警儀的應用范圍、基本參數和操作方法
- 智能流量積算儀的概述和基本操作
- 電浮筒液位計的原理和應用范圍
- 投入式液位變送器原理、結構及安裝調試
- 智能旋進旋渦流量計的使用方法及參數切換設置
- 液位上下限報警控制、液位高低報警控制及無線
- 超聲波液位計的裝置與設置
- 防爆型超聲波液位計的裝置方式及注意事項
- 氣體腰輪流量計的造型要求和安裝注意事項
- 旋進旋渦流量計與氣體渦輪流量計的主要區別
- TT-LWGY系列渦輪流量計的用途和原理
- 孔板流量計的特點
- TT-UQK浮球液位控制器的調試和安裝
- 磁翻板液位計的安裝保養
- 氣體渦輪流量計如何安裝
- 分體式超聲波液位計接線圖
- 投入式液位變送器在靜、動水中的電氣連接
- 導波雷達物位計測量原理技術要求
- 插入式電磁流量計安裝要求
- 氣體渦輪流量計的使用和維護
- 孔板流量計的安裝要求和維護注意事項
- 浮標液位計的安裝與使用
- 雙金屬溫度計的種類和用途




